产品参数
产品详情

ZD-2A全自动电位滴定仪是先进的电子技术、传感器技术和软件设计的完美组合。仪器分电计和滴定系统两大部分,电计采用电子放大控制线路,将指示电极与参比电极间的电位同预先设置的某一终点电位相比较,两信号的差值经放大后控制滴定系统的滴液速度。达到终点预设电位后,滴定自动停止。仪器为微机控制滴加量,其结构分为电计和滴定系统两大部分。
一、用途:
1、适用于多种电位滴定。
2、广泛应用于教学、科研机构、环保检测,石油化工等多个领域。
二、仪器特点:
1、7英寸彩色高分辨率(1024*600)电容触摸屏,参数显示齐全,高灵敏度。
2、采用电磁阀控制滴液,主机与磁力搅拌器一体化设计,使用方便。
3、人性化操作设计,屏幕亮度可调。
4、智能化功能包括自动校准、自动温度补偿、数据存储、USB输出等。
5、内置大容量存储,可存储500套测量数据,数据可通过U盘转移,兼容EXCEL。
6、支持电位滴定法进行容量分析。
7、可执行pH值或电位的控制滴定,设定电位(pH)控制滴定终点。
8、预控电位(pH)调节和滴定终点延时功能,控制滴定间隔时长。
9、提供手动、自动、控制(恒pH/电位)滴定模式。
10、可用于测定水溶液的pH值和测量电极的电位值。
三、全自动电位滴定仪技术参数
| 序号 | 项目 | 描述 |
| 1 | 仪器级别 | 0.5 级 |
| 2 | 测量范围 | pH:(-2.00~20.00) mV:(-1999~+1999) ℃:(0~100.0) ℃ |
| 3 | 分辨率 | 0.01pH/0.1mV 0.1℃ |
| 4 | 电子单元基本误差 | pH:±0.03pH mV:±5mV 温度:±0.3℃ |
| 5 | 仪器pH相对精度 | ±0.03pH |
| 6 | 输入电流 | ≤6×10^-12 A |
| 7 | 输入阻抗 | ≥1×10^11 Ω |
| 8 | 电子单元稳定性 | (±0.3mV±1 个字)/3h |
| 9 | 终点设定范围 | (-2~20.00)pH 或:(-2000~+2000)mV |
| 10 | 容量分析重复误差 | 0.20% |
| 11 | 滴定控制灵敏度 | pH:±0.1pH mV:±5mV |
| 12 | 数据存储 | 500 组 |
| 13 | 存储内容 | 名称、终点、样品浓度、日期 |
| 14 | 尺寸和重量 | (165×90×32)mm 310g |
| 15 | 仪器正常工作环境环境温度 | 5~40℃ |
| 16 | 仪器正常工作环境环境湿度 | ≤85% |
| 17 | 供电电源 | 交流电压(220±22)V 频率(50±0.5)Hz |
四、仪器参数的设置以及安装流程

1、仪器的前面板示意图见上图①,显示器彩色高分辨率(1024*600)电容触摸屏,仪器共15个功能区域,各触摸区域的基本功能如下:
2、滴定参数设置滴定方式,选择物理量为PH或者电位(mv)的滴定参数测量或滴定,设置滴定“终点”和“预控点”,设置滴定延时时间。(如上图②所示)
(1)滴定方式:选择滴定模式为自动滴定,控制滴定和手动滴定。
(2)物理量:选择滴定终点为pH或电位值(mv)。终点:为滴定到达的终点PH或电位值。
(3)预控点:设置预控点电位或PH值,其大小取决于化学反应的性质,即滴定突跃的大小。一般氧化还原滴定,强酸强碱中和滴定和沉淀滴定可选择预控点值小一些;弱酸强碱,强酸弱碱克选择中间预控点值,二弱酸弱碱滴定需选择大预控点值。
(4)延时:设置到达滴定终点与停止滴定之间的延迟时间。因化学反应需要一定时间,当仪器测到终点电位或终点PH值,关闭电磁阀,可能电位或PH值会有反复,所以在刚测到终点电位或终点PH值时不宜立即终止滴定,应延迟一段时间,若有反复则继续滴定,直到电位或PH值不再有反复后再终止滴定。
(5)搅拌器设置:可控制磁力搅拌器的搅拌速度,以达到客户使用要求速度0~100%
(6)标定:用于仪器测量溶液PH值或用于酸碱中和滴定中PH的校准
(7)查看:用于查看之前滴定实验的实验数据
(8)打印:可连接打印机直接打印实验结果
(9)菜单:设置仪器基本参数,USB输出,时钟显示,无线打印云端互联等功能的设置。
3、PH数值显示:实时显示溶液的PH数值。
4、mv数值显示:实时显示溶液的电位(mv)数值。
5、滴定时长:实时显示滴定实验中所消耗的滴定时间。
6、搅拌速度:显示已设置好搅拌器的搅拌速度(0~100%)7.滴定速度:显示滴定速度快慢。
8、温度显示:实时显示温度电极所监测的溶液温度,进行自动温度补偿。
9、开始:点击开始,开始进行滴定,点击终止则滴定停止。

10、仪器的后面板,从左往右依次顺序为:
(1)开关:电源开关
(2)电源:交流电220V电源插座
(3)电磁阀:电磁阀接口
(4)USB储存插口:导出数据
(5)测量电极:测量电极插口
(6)数据线插口
(7)温度电极:温度电极插口
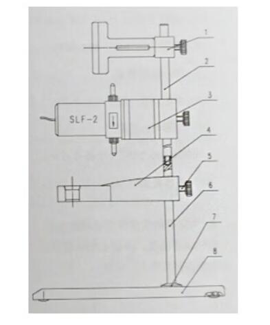
11、滴定装置的安装,按图示进行滴定装置的安装
(1)夹形件部件(2)电极杆(3)电磁阀部分(4)电极支持件(5)紧固螺丝(6)电极杆(7)电极杆固定眼(8)仪器主机(9)磁力搅拌器

五、应用广泛
适用于主要适用于多种电位滴定,广泛应用于院校教学、科研机构、环保检测,石油化工、制药、药检、冶金等多个领域!

2025-12-23
2025-12-16
2025-10-29
2024-09-18
400-876-7588
官方微信
手机浏览
版权所有 © 必一·运动(Bsports)官方网站-Official Platform2022 Al Rights Reseved 备案号:沪ICP备09074617号-7
Sitemap.xml 管理登陆 技术支持:化工仪器网






推荐产品


